Общая информация – вертикальный многоступенчатый центробежный насос Wilo MVI 810-1/16/E/3-400-50-2
Многоступенчатые насосы Wilo MVI – это мощные и во многом продуктивные модели, которые отлично подходят для перекачивая чистой питьевой воды, жидкости для отопления или воды технического использования, незначительного уровня загрязненности, где не содержаться абразивные, волокнистые или тяжелые частицы. Модель показывать высокие гидравлические характеристики, гарантируя продуктивную работу всей водопроводной системы.
Сфера применения центробежного насоса Wilo MVI вертикального типа достаточно широка. Агрегат может использоваться в таких промышленных и бытовых сферах:
- Централизованные системы водоснабжения;
- Функция повышения давления в системе;
- Агрегаты пожаротушения;
- Совместная работа с отопительными котлами;
- Системы циркуляции повышенного уровня производительности;
- Промышленная сфера применения;
- Системы охлаждения воды;
- Установки для перекачивания моечной или дождевой воды.

Особенность конструкции - многоступенчатый центробежный насос Wilo MVI 810-1/16/E/3-400-50-2
Корпус многоступенчатых насосов Wilo MVI производится из нержавеющей стали повышенной прочности, которая не окисляется и нормально переносит взаимодействие с жидкостью.
Подключение к водопроводной системе за счет фланцевого соединения (PN16 – овальная форма, PN25 – круглая форма). Работу обеспечивает двигатель электродвигатель стандарта IEC IE2.
В общий состав конструкции входят такие составные элементы:
- Рабочее колесо из нержавеющей стали - 1.430/1.4404;
- Рабочий вал из нержавеющей стали - 1.430/1.4404;
- Уплотнение EPDM (EP 851)/FKM (витон);
- Крышка корпуса и нижняя часть корпуса из нержавеющей стали;
- Скользящее торцовое уплотнение из графита/карбида вольфрама, SiC/графита;
- Трубный кожух – нержавеющая сталь;
- Подшипники из карбида вольфрама;
- Фундаментальная рама из серого чугуна EN-GJL-250.
Гидравлические характеристики

Тип подключения

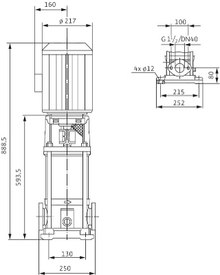
Габаритные размеры

Интернет магазин «Насос ОВК» предлагает купить вертикальный многоступенчатый насос Wilo MVI 810-1/16/E/3-400-50-2 по низкой цене. Вам необходимо обратиться за помощью к нашим профессиональным менеджерам, которые готовы оказать высококвалифицированный сервис обслуживания, предоставить детальную консультацию и помощь с выбором необходимой модели.
Доставка осуществляется в любую точку Киеве и Украины, а также в страны ближнего зарубежья. Мы привлекаем любую удобную для вас транспортную или курьерскую службу. Кроме того, у нас постоянно действуют выгодные системы скидок. Звоните, если хотите сотрудничать с профессионалами.

