Основная информация – циркуляционный насос с мокрым ротором DAB EVOPLUS B 40/340.65 M
Циркуляционный насос DAB EVOPLUS B 40/340.65 M - продуктивная модель с повышенным уровнем производительности. Насос гарантирует улучшенные рабочие характеристики, когда вы используете агрегат в системах водопровода, циркуляции воды для отопления, а также в системах кондиционирования. Насос обладает уровнем энергоэффективности класса «А», что делает данную модель очень продуктивной.
Данная модель предназначена для установки в помещениях жилой или общественной направленности: в квартирах, частных домах, в офисных помещениях, а также любых других комплексах со средней протяженностью по площади. В комплекте насоса идет синхронный двигатель на постоянных магнитах и частотный регулятор. Модель обладает встроенными заводскими алгоритмами по регуляции различных параметров, таких как постоянная кривая, постоянный перепад давления, температура и др., которые в случае чего могут корректироваться исходя из технологических надобностей.
Насос DAB серии EVOPLUS подходит для перекачивания пресной воды, где не содержатся тяжёлые и химические примеси. Кроме того, возможно перекачивание жидкости, что по своему по химическому составу сходна с водой, но без содержания тяжелых, вязких или горючих элементов, которые могут привести к поломке или выходу из строя. Агрегат отвечает высоким показателям европейского качества, работает при экономном потреблении электроэнергии и низком уровне шума, полностью исключая возможность поломок или выхода из строя.
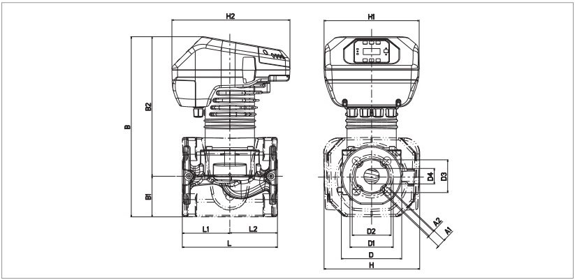
Габаритные размеры

|
Модель |
L |
L1 |
L2 |
A1 |
A2 |
B |
B1 |
B2 |
D |
D1 |
D2 |
D3 |
D4 |
H |
H1 |
H2 |
Вес, кг |
|
EVOPLUS B 40/340.65 M |
340 |
170 |
170 |
19 |
14 |
443 |
110 |
333 |
185 |
145 |
130 |
118 |
69 |
280 |
220 |
273 |
23.8 |
Конструкция модели
Насос комплектуется частотным регулятором, что расположен на передней части агрегат и при помощи которого можно более точно корректировать работу модели, задавая необходимые показатели, для обеспечения определенного напора и скорости вращения. Кроме того, частотный регулятор устранит проблемы с запуском, совершая плавный пуск, удалит кривую тока, нормализуя функционирование при экономном потреблении электроэнергии и низком уровне шума.
Корпус насоса изготовлен из чугуна повышенной прочности, который покрывают слоем защитной краски, с целью предотвратить коррозийные образования. Рабочее колесо выполнено из качественного технополимера.
В комплект входит керамический ротор.
Защитный кожух ротора сделан из нержавеющей стали.
Все вышеописанные материалы насоса устойчивы к механическим повреждениям и окислению, что в значительной мере продлевает срок эксплуатации, исключая постоянный сервис и ремонт.

Рабочие характеристики насоса
Технологические особенности
Циркуляционный насос DAB EVOPLUS B 40/340.65 M комплектуется мощным синхронным электродвигателем на постоянных магнитах. С целью предотвращения перегрузки предусмотрена дополнительная защита, которая в особых случаях проводит остановку системы, с дальнейшим перезапуском.
Допустимая температура перекачиваемой жидкости не должна превышать показатели от -10° C до 110° C.
Насосы с фланцевыми патрубками легко монтируются и вводятся в эксплуатацию. Данная модель имеет цифровые, аналоговые вводы и цифровые выводы для реализации различных вариантов интерфейса с более сложными системами.
Номинальный класс безопасности – IP44.
Циркуляционные насосы DAB данной серии способны выдерживать водяное давление в 16 бар на протяжении длительного времени.
Монтаж насоса
Циркуляционный насос устанавливают таким образом, чтобы подающий вал находился в горизонтальном положении. Для удобства модель оснащена прочным кабелем для подключения к электросети.
Крепление к водопроводной сети осуществляется за счет фланцевого соединения. Монтаж следует проводить руководствуясь четкими правилами, что приведены в инструкции, с целью предотвращения негативных моментов во время эксплуатации.
Если Вам необходимо купить циркуляционный насос DAB EVOPLUS B 40/340.65 M с мокрым ротором и частотным регулятором, то необходимо обратиться к профессиональным менеджерам компании «Насос ОВК», которые всегда готовы предоставить информативную консультацию и помощь с выбором качественной модели насоса по доступной цене. Доставка осуществляется в любую точку Киева и Украины!
Звоните и получайте скидку!

