Общая характеристика – циркуляционный насос с мокрым ротором DAB DMH 60/280.50 T
Сдвоенный циркуляционный насос DAB DMH 60/280.50 T – это качественная и во многом продуктивная модель, которая обладает повышенным уровнем производительности, при объединении в себе наиболее полезные функции. Такая модель может быть использована в водопроводных системах, а также в системах отопления и кондиционирования жилых домов, а также помещений общественной направленности. Также возможно коллективное использование, при соблюдении технологических правил и при условии, что номинальной мощности насоса будет хватать, для подачи определенного уровня напора. Модели данной серии могут обладать тремя или двумя фиксированными скоростями, для улучшения общей производительности.
При использовании насоса возможно перекачивание пресной воды, без содержания тяжёлых и химических примесей (30% гликоля), а также любой другой жидкости, которая по химическому составу сходна с водой, но не содержит в своем составе тяжелые, вязкие или горючие элементы. Модель отвечает высоким показателям европейского качества, работает при экономном потреблении электроэнергии и низком уровне шума, полностью исключая возможность поломок или выхода из строя.
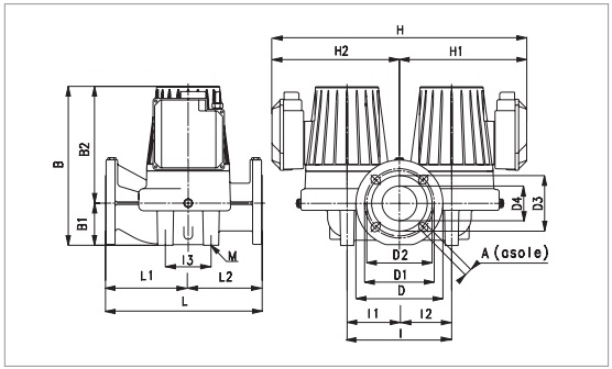
Габаритные размеры

| Модель | L | L1 | L2 | A | B | B1 | B2 | D | D1 | D2 | D3 | D4 | I | I1 | I2 | I3 | M | H | H1 | H2 | Вес, кг |
| DMH 60/280.50 T | 280 | 130 | 150 | 18 | 308 | 73 | 235 | 165 | 125 | 110 | 90 | 50 | 240 | 120 | 120 | 120 | M14 | 556 | 278 | 278 | 44,5 |
Особенность конструкции
Гидравлический корпус насоса производят из чугуна, который обладает повышенной прочностью. Рабочее колесо выполнено из качественного технополимера.
Подающий вал - нержавеющая сталь. В конструкции предусмотрено EPDM уплотнение.
Все вышеописанные материалы насоса устойчивы к коррозийным повреждениям и окислению, что в значительной мере продлевает срок эксплуатации, исключая постоянный сервис и ремонт.
Вращение рабочего механизма осуществляется за счет керамических подшипников, которые смазываются перекачиваемой жидкостью, обеспечивая низкий уровень шума.
В моделях сдвоенного типа предусмотрена комплектация обратным клапаном, для предотвращения обратного хода воды в системе, что в несколько раз увеличивает общую производительность.

Рабочие характеристики насоса
Технологические характеристики
Сдвоенный циркуляционный насос DAB DMH 60/280.50 T с мокрым ротором задает четкую скорость вращения, что в несколько раз повышает общую производительность модели, делая его таким популярным на специализированном рынке.
Возможная температура перекачиваемой жидкости не должна превышать показатели от -10° C до 130° C.
Номинальный класс безопасности – IP44.
Циркуляционные насосы DAB данной серии способны выдерживать водяное давление в 10 бар на протяжении длительного времени.
В трехфазных моделях необходимо предусматривать дополнительные механические модификации, с целью предотвращения перегрузки.
Монтаж насоса
Циркуляционный насос устанавливают таким образом, чтобы подающий вал находился в горизонтальном положении. Для удобства модель оснащена прочным кабелем для подключения к электросети.
Монтаж проходит довольно быстро и не требует специальных навыков.
Если Вы хотите купить сдвоенный циркуляционный насос DAB DMH 60/280.50 T с мокрым ротором для отопления, то в этом случае обращайтесь к профессиональным менеджерам компании «Насос ОВК». Только здесь Вам предоставят информативную консультацию и помощь с выбором качественной модели насоса по доступной цене. Доставка осуществляется в любую точку Киева и Украины!
Звоните и получайте скидку!

