Основная характеристика - циркуляционный насос с сухим ротором DAB DKLP 40-900 M
Ин-лайн насос DAB DKLP 40-900 M сдвоенного типа – это качественная модель повышенной мощности, которая отлично подойдет для проведения работы в системах водоснабжения горячей воды, а также в системах отопления и кондиционировании жилых помещений бытовой или общественной направленности. Кроме того, имеется вариант коллективного использования, при условии, что номинальной мощности насоса будет хватать для создания напора нужного уровня.
In-line насос DAB DKLP взаимодействует с жидкостью, в которой не содержатся тяжёлые элементы или химически-агрессивные примеси. Имеется возможность перекачивать жидкость, которая обладает сходные свойства с водой. Насос функционирует при повышенном уровне КПД и пониженном уровне шума.
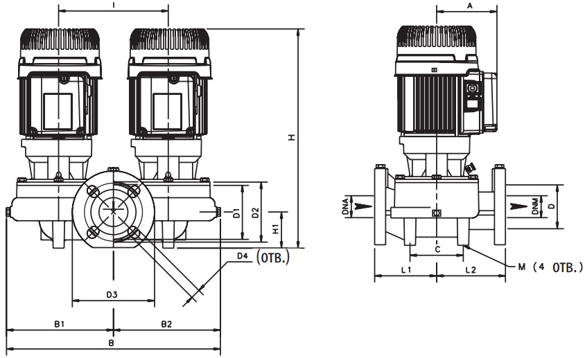
Габаритные размеры

| Модель | A | B | B1 | B2 | C | DNA | DNM | D | D1 | D2 | D3 | D4 | H | H1 | I | L | L1 | L2 | M | Вес, кг |
| DKLP 40-900 M | 110 | 372 | 185 | 187 | 100 | 40 | 40 | 80 | 100 | 110 | 150 | 4 отв 18x23 | 400 | 55 | 200 | 250 | 125 | 125 | 4 отв. 10 | 41,8 |
Характеристика конструкции - циркуляционный насос DAB DKLP 40-900 M
Гидравлический корпус вместе с опорой для двигателя изготавливаются из высокопрочного серого чугуна. Рабочее колесо из технополимера, а подающий ротор из нержавеющей стали. Для большей прочности и защиты предусмотрено два вида уплотнения: ЕPDM уплотнение и торцевое из графита/керамики.
Данные материалы довольно устойчивы к коррозийным образованиям и окисления, а это значит, что насос прослужит вам на протяжении длительного времени, полностью исключая возможность перегрузки и перегрева. Кроме того, насосы сдвоенного типа комплектуются обратным клапаном, который предотвращает обратный ход воды в водопроводной системе.

Рабочие характеристики насоса
Технические особенности
Модель комплектуется датчиком давления, при помощи которого можно настроить работу агрегата более точно. Также насос обладает механизмом аварийного выключения, который подает звуковой сигнал, в случае возникновения повреждений системы или протекания воды.
Во время подключения однофазного насоса предусмотрен тепловой выключатель двигателя. В случае трехфазных моделей, вам следует позаботиться о дополнительных механизмах, которые помогут предотвратить перегрузку.
Номинальная температура перекачиваемой жидкости от -15°C до +120°C.
Номинальный класс защиты - IP 55.
Максимальный уровень поддерживаемого давления – 10 бар.
Монтаж насоса
Насос DAB серии DKLP при нахождении подающего вала в горизонтальном положении. В случае если двигатель будет выше гидравлического корпуса, тогда модель крепится вертикально. Присоединение к трубопроводу осуществляется за счет фланцевого крепления.
Монтаж проходит довольно быстро и не требует специальных навыков.
Если Вы хотите купить циркуляционный насос DAB DKLP 40-900 M с сухим ротором для отопления, то в этом случае обращайтесь к профессиональным менеджерам компании «Насос ОВК». Только здесь Вам предоставят информативную консультацию и помощь с выбором качественной модели насоса по доступной цене. Доставка осуществляется в любую точку Киева и Украины!
Звоните и получайте скидку!

