Общая информация - циркуляционный насос с сухим ротором DAB DCM 40/620 T
Сдвоенный ин-лайн насос DAB DCM 40/620 T – это продуктивная и во многом усовершенствованная с повышенным уровнем производительности, которая создана для использования в крупных промышленных системах водоснабжении горячей воды, в системах отопления и кондиционировании, с целью обслуживания жилых комплексов, различных предприятий, общественных учреждений и других объектов коллективного использования. Данный агрегат отвечает высоким показателям европейского качества и идет с гарантией от завода изготовителя.
In-line насос DAB DCM может работать перекачивая чистую жидкость, в которой не содержатся вредные или агрессивные химические примеси, твердые или горючие частицы, а также вязкие или волокнистые элементы. Насос функционирует при относительно низком уровне шума, но при высоком уровне КПД.
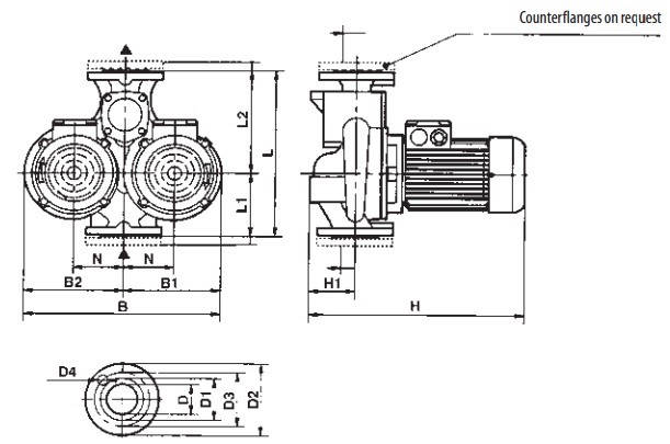
Габаритные размеры

| Модель | L | L1 | L2 | B | B1 | B2 | H | H1 | N | D | D1 | D2 | D3 | D4 |
| DCM 40/620 T | 340 | 130 | 210 | 397 | 197 | 200 | 425 | 100 | 100 | 40 PN6 | 88 | 150 | 110 | 4 отв Ø 18 |
Особенность конструкции - сдвоенный циркуляционный насос DAB DCM 40/620 T
Гидравлический корпус вместе с опорой для двигателя производится из высокопрочного серого чугуна. Рабочее колесо из технополимера, а подающий ротор из нержавеющей стали. Для большей прочности и защиты предусмотрено два вида уплотнения: ЕPDM уплотнение и торцевое из графита/керамики.
Данные материалы довольно устойчивы к коррозийным образованиям и окисления, а это значит, что насос прослужит вам на протяжении длительного времени, полностью исключая возможность перегрузки и перегрева.

Рабочие характеристики насоса
Технологические особенности
В конструкции насоса предусмотрен механизм, защищающий от перегрузок и перегрева, в некоторых случаях предусмотрен механизм аварийного выключения, который подает звуковой сигнал, в случае возникновения повреждений системы или протекания воды.
Возможная номинальная температура проходимой воды от -10°C до +130°C. Насос работает от сети бесперебойного питания в 3x230-400 В, 3x400 В.
Класс защиты - IP 55.
Максимальный рабочий уровень давления – 16 бар.
Подключение мембранного расширительного бака к системе обязательно!
Установка насоса
Когда номинальная мощность насоса не превышает 11 кВт, то агрегаты серии DAB DCM/DCM-G устанавливают при нахождении подающего вала в горизонтальном положении, если двигатель функционирует с мощностью больше 11 кВт, тогда модель крепится вертикально. Присоединение насоса к водопроводной системе возможно за счет фланцевого крепления.
Монтаж и ввод в эксплуатацию довольно сложен и требует особых навыков для проведения работы. Только так вы сможете получить качественное и слаженное функционирование с повышенной производительностью на протяжении длительного времени.
Если Вы хотите купить сдоенный циркуляционный насос DAB DCM 40/620 T с сухим ротором для отопления, то в этом случае обращайтесь к профессиональным менеджерам компании «Насос ОВК». Только здесь Вам предоставят информативную консультацию и помощь с выбором качественной модели насоса по доступной цене. Доставка осуществляется в любую точку Киева и Украины!
Звоните и получайте скидку!

