Основная информация – дренажный насос Calpeda GMC 50AE
Погружной дренажный насос Calpeda GMC 50AE – это полностью усовершенствованная модель, которая предназначена для обеспечения качественной работы по перекачивания загрязненной воды из бытовых или промышленных стоков, при содержании инородных тел общим диаметром в 45 мм, а также для перекачивания других элементов, которые нормально взаимодействуют с корпусом и внутренним механизмом насоса. Агрегат отлично подходит для использования в сточных ямах, в системах сточных воду и т.д, при соблюдении всех технологических предписаний, которые изложены в инструкции.
Данный насос изготовлен в Италии, а это значит, что он отвечает высоким показателям европейского качества, гарантируя при этом продуктивную и бесперебойную работу на протяжении длительного времени, при условии, что будут соблюдены все технологические предписания, что делает агрегат таким популярным на специализированном рынке. За более детальной информацией обращайтесь к профессиональным менеджерам Интернет магазина "Насос ОВК", которые всегда готовы предоставить помощь по выбору лучшего насосного оборудования.
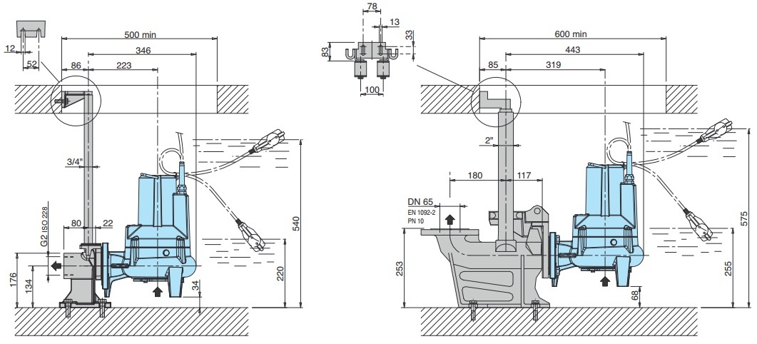
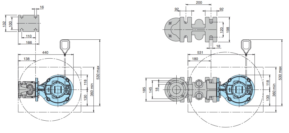
Габаритные размеры



Характеристика конструкции
Корпус насоса изготовлен из чугуна, который покрывается слоем защитной краски, чтобы предотвратить коррозийные образования. Вал насоса производится из хромоникилевой стали. Модель комплектуется рабочим колесом одноканального типа, для более качественного измельчения твердых частиц. Двойное уплотнение с масляной камерой, что в несколько раз увеличивает эксплуатационные значения, продлевая номинальный срок работы.

Эксплуатационные ограничения
- Максимальная температура жидкости: 35°C;
- Показатель кислотности: 6-11;
- Максимальная глубина погружения: 10 м (с кабелем соответствующей длины);
- Непрерывная работа (с погружным двигателем).
Двигатель насоса
- Двухполюсный асинхронный двигатель, 50 Гц (число оборотов 2900 об./мин.);
- GMC, GMV: трехфазный 230 В (±10%), трехфазный 400 В (±10%). 2 встроенных термозащитных устройства подсоединяются к щиту управления. Кабель: 4G1,5 мм2 + 2G0,5 мм2, длина 10 м;
- GMCM, GMVM: однофазный 230 В (±10%). Термозащитное устройство в оболочке и встроенный конденсатор;
- Кабель: 3G1,5 мм2, тип H07RN8-F, длина 10 м с вилкой (CEI - 47166);
- Изоляция класса "F". Защита IP X8;
- Обмотка с тройной пропиткой, устойчивой к влаге;
- Исполнение в соответствии со стандартом EN 60 335-2-41.
Если Вы хотите купить дренажный насос Calpeda GMC 50AE, то следует обратиться за помощью к менеджерам компании «Насос ОВК». Только в нашем Интернет магазине Вам предоставят информативную консультацию и помощь с выбором необходимой модели, которая подойдет под определенные технологические цели. Доставка осуществляется по Киеву и в любую точку Украины.
Звоните и получайте скидку!

